31000-30-05-40-014-03-02 31000 Közelségérzékelő ház
UBEST – Megbízható Globális Automatizálási Alkatrész Szállító
Széles választékban kínálunk raktáron lévő ipari automatizálási pótalkatrészeket. Minden termékhez 12 hónapos garancia és 30 napos visszatérítés jár minőségi problémák esetén.
Bently Nevada 31000 közelségérzékelő ház: Precíziós ipari megfigyelés
Termék áttekintése
Professzionális 8 mm-es közelségérzékelő ház gépek rezgésfigyeléséhez. USA-ban készült, CSA/ATEX tanúsítványokkal. Ideális veszélyes környezetekhez.
Főbb műszaki adatok
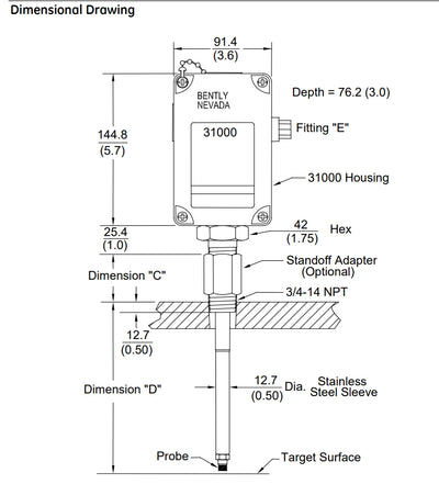
Márka: Bently Nevada
Modell: 31000-30-05-40-014-03-02
Teljes utótag bontás:
- 30: 3300 XL 8 mm szonda csatlakozóvédővel
- 05: 0,5 m (20") kábel
- 40: 4,0" távtartó adapter
- 014: 1,4" szonda behatolás
- 03: NPT szerelőkészlet
- 02: 3/4-14 NPT szerelés
Műszaki adatok
Környezeti besorolások:
- Hőmérséklet: -51°C-tól +105°C-ig (-60°F-tól +221°F-ig)
- Védelem: IP66 (víz-/porálló)
- Ütésállóság: 7J szobahőmérsékleten (CSA tanúsított)
Anyagok:
- Ház: Vezetőképes PPS termosztatikus műanyag
- Hüvelyek: AISI 304/316 rozsdamentes acél
- O-gyűrű: Neoprén
Műszaki:
- Súly: 1,2 kg (2,6 lb)
- Teherbírás: 912N (205 lb)
- Nyomaték: 29,4 N·m (rögzítő anya)
Csomag tartalma
- Szonda ház összeállítás
- Két 3/4-14 NPT dugó
- Rozsdamentes acél reduktor (3/4"-ról 1/2"-re)
- Kábelzár fogó 3 tömítőgyűrű mérettel
Tanúsítványok és megfelelőség
4X típus (CSA), ATEX/IECEx veszélyes területekre, BASEEFA ütésállósági tanúsítvánnyal.
Garancia és szállítás
12 hónapos gyártói garancia. Szállítás FedEx, UPS, DHL világszerte.
Telepítési útmutató
- Szerelje fel 3/4-14 NPT menetekkel
- Húzza meg a rögzítő anyát 29,4 N·m nyomatékkal
- Használja a mellékelt tömítéseket a kábelbevezetéshez
- Földelés vezető házzal
Ipari alkalmazások
- Erőművi turbinák
- Olaj- és gáztömörítő kompresszor megfigyelés
- Ipari szivattyú rezgéselemzés
- Papírmalom gépek védelme
GYIK
K: Robbanásbiztos ez?
V: Igen, ATEX tanúsítvánnyal rendelkezik a 0/1 zónás veszélyes területekre.
K: Kábelhossz opciók?
V: Ennek a modellnek fix 0,5 m-es kábele van (más hosszúságok külön kaphatók).
K: Kompatibilis a 3300XL rendszerekkel?
V: Igen, a Bently Nevada 3300XL megfigyelésére tervezték.
Hasonló modellek összehasonlítása
| Modell | Próba | Távolságtartó | Kulcsfontosságú különbség | Ár ellenőrzése |
|---|---|---|---|---|
| 31000-28-05-00-028-01-02 | 5mm | Nincs | Rövidebb behatolás | Részletek megtekintése |
| 31000-16-05-00-063-03-02 | 11mm | Nincs | Hosszabb behatolás | Részletek megtekintése |

